Os Rolamentos são componentes mecânicos utilizados para permitir movimentos lineares retilíneos com suavidade e baixo atrito. São aplicados em conjunto com eixo retificados, essa combinação de esferas sobre eixos permitem melhor eficiência com baixo atrito, permitindo assim movimentar cargas elevadas com suavidade e precisão.
Na OBR temos uma vasta linha de rolamentos lineares para as mais diversas aplicações e segmentos.

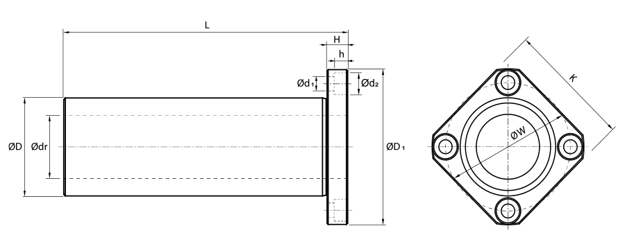
Modelo LME
Dimensões em mm.
|
Modelo
|
dr
|
D
|
L
|
B
|
W
|
d1
|
Capacidade de Carga (N) | Peso (g) |
|||
|
|
Tolerância |
|
Tolerância
|
Dinâmica (C) | Estática (Co) | ||||||
| LME 8 UU | 8 | + 0,008 0 | 16 | 0 - 0,008 | 25 | 16,5 | 1,1 | 15,2 | 260 | 400 | 20 |
| LME 12 UU | 12 | + 0,008 0 | 22 | 0 - 0,009 | 32 | 22,9 | 1,3 | 21 | 410 | 590 | 41 |
| LME 16 UU | 16 | + 0,009 0 | 26 | 0 - 0,009 | 36 | 24,9 | 1,3 | 24,9 | 770 | 1.170 | 57 |
| LME 20 UU | 20 | + 0,009 0 | 32 | 0 - 0,011 | 45 | 31,5 | 1,6 | 30,3 | 860 | 1.370 | 91 |
| LME 25 UU | 25 | + 0,011 0 | 40 | 0 - 0,011 | 58 | 44,1 | 1,85 | 37,5 | 980 | 1.560 | 215 |
| LME 30 UU | 30 | + 0,011 0 | 47 | 0 - 0,011 | 68 | 52,1 | 1,85 | 44,5 | 1.560 | 2.740 | 325 |
| LME 40 UU | 40 | + 0,013 0 | 62 | 0 - 0,013 | 80 | 60,6 | 2,15 | 59 | 2.150 | 4.010 | 705 |
| LME 50 UU | 50 | + 0,013 0 | 75 | 0 - 0,013 | 100 | 77,6 | 2,65 | 72 | 3.820 | 7.930 | 1.130 |

Modelo LME-L
Dimensões em mm.
|
Modelo
|
dr
|
D
|
L
|
B
|
W
|
D1
|
n*
|
Capacidade de Carga (N) | Peso (g) | |||
|
|
Tolerância
|
|
Tolerância
|
Dinâmica | Estática | |||||||
| LME 12L UU | 12 | +0,009 0 | 22 | 0 -0,011 | 61 | 45,8 | 1,3 | 21 | 4 | 650 | 1.200 | 80 |
| LME 16L UU | 16 | +0,011 0 | 26 | 0 -0,011 | 68 | 49,8 | 1,3 | 24,9 | 5 | 1.230 | 2.350 | 145 |
| LME 20L UU | 20 | +0,011 0 | 32 | 0 -0,013 | 80 | 61 | 1,6 | 30,3 | 5 | 1.400 | 2.750 | 180 |
| LME 25L UU | 25 | +0,013 0 | 40 | 0 -0,013 | 112 | 82 | 1,85 | 38 | 6 | 1.560 | 3.140 | 440 |
| LME 30L UU | 30 | +0,013 0 | 47 | 0 -0,013 | 123 | 104,2 | 1,85 | 44,5 | 6 | 2.490 | 5.490 | 580 |
| LME 40L UU | 40 | +0,016 0 | 62 | 0 -0,015 | 151 | 121,2 | 2,15 | 59 | 6 | 3.430 | 8.040 | 1.170 |
| LME 50L UU | 50 | +0,016 0 | 75 | 0 -0,015 | 192 | 155,2 | 2,65 | 72 | 6 | 6.080 | 15.900 | 3.100 |
Modelo LME-AJ

Dimensões em mm.
|
Modelo
|
dr
|
D
|
L
|
B
|
W
|
D1
|
H
|
n*
|
Capacidade de Carga (N) | Peso (g) |
|||
|
|
Tolerância
|
|
Tolerância
|
Dinâmica | Estática | ||||||||
| LME 12 UU AJ | 12 | +0,008 0 | 22 | 0 -0,009 | 32 | 12 | 1,5 | 21 | 1,5 | 4 | 410 | 590 | 41 |
| LME 16 UU AJ | 16 | +0,009 0 | 26 | 0 -0,009 | 36 | 16 | 1,5 | 24,9 | 1,5 | 5 | 770 | 1.170 | 57 |
| LME 20 UU AJ | 20 | +0,009 0 | 32 | 0 -0,011 | 45 | 20 | 2 | 30,3 | 2 | 5 | 860 | 1.370 | 91 |
| LME 25 UU AJ | 25 | +0,011 0 | 40 | 0 -0,011 | 58 | 25 | 2 | 37,5 | 2 | 6 | 980 | 1.560 | 215 |
| LME 30 UU AJ | 30 | +0,011 0 | 47 | 0 -0,011 | 68 | 30 | 2 | 44,5 | 2 | 6 | 1.560 | 2.740 | 325 |
| LME 40 UU AJ | 40 | +0,013 0 | 62 | 0 -0,013 | 80 | 40 | 3 | 59 | 3 | 6 | 2.150 | 4.010 | 705 |
Modelo LME-OP

Dimensões em mm.
|
Modelo
|
dr | D |
L
|
B
|
W
|
D1
|
h1
|
⦵
|
n*
|
Capacidade de Carga (N) | Peso (g) |
|||
|
|
Tolerância
|
|
Tolerância
|
Dinâmica | Estática | |||||||||
| LME 12 UU OP | 12 | +0,008 0 | 22 | 0 -0,008 | 22 | 22 | 1,1 | 11,5 | 7,5 | 78º | 4 | 206 | 265 | 32 |
| LME 16 UU OP | 16 | +0,009 0 | 26 | 0 -0,009 | 36 | 36 | 1,3 | 24,9 | 10 | 78º | 4 | 770 | 1.170 | 57 |
| LME 20 UU OP | 20 | +0,009 0 | 32 | 0 -0,011 | 45 | 45 | 1,6 | 30,3 | 10 | 60º | 4 | 860 | 1.370 | 91 |
| LME 25 UU OP | 25 | +0,011 0 | 40 | 0 -0,011 | 40 | 58 | 1,85 | 37,5 | 12,5 | 60º | 5 | 980 | 1.560 | 215 |
| LME 30 UU OP | 30 | +0,011 0 | 47 | 0 -0,011 | 47 | 68 | 1,85 | 44,5 | 12,5 | 50º | 5 | 1.560 | 2.740 | 325 |
| LME 40 UU OP | 40 | +0,013 0 | 62 | 0 -0,013 | 80 | 80 | 2,15 | 59 | 16,8 | 50º | 5 | 2.150 | 4.010 | 705 |
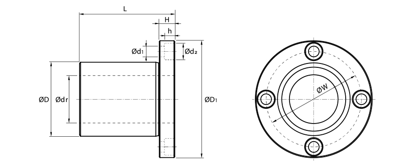
Modelo LMEF

Dimensões em mm.
|
Modelo
|
dr
|
D
|
L
|
D1
|
H
|
W
|
D1
|
D2
|
h
|
n*
|
Capacidade de Carga (N) | Peso (g) |
|||
|
|
Tolerância
|
|
Tolerância
|
Dinâmica | Estática | ||||||||||
| LMEF 12 UU | 12 | +0,008 0 | 22 | 0 -0,009 | 32 | 42 | 6 | 32 | 4,5 | 8 | 4,4 | 4 | 410 | 590 | 86 |
| LMEF 16 UU | 16 | +0,009 0 | 26 | 0 -0,009 | 36 | 46 | 6 | 36 | 4,5 | 8 | 4,4 | 5 | 770 | 1.170 | 120 |
| LMEF 20 UU | 20 | +0,009 0 | 32 | 0 -0,011 | 45 | 54 | 8 | 43 | 5,5 | 9,5 | 5,4 | 5 | 860 | 1.370 | 184 |
| LMEF 25 UU | 25 | +0,011 0 | 46 | 0 -0,011 | 58 | 62 | 8 | 51 | 5,5 | 9,5 | 5,4 | 6 | 980 | 1.560 | 335 |
| LMEF 30 UU | 30 | +0,011 0 | 47 | 0 -0,011 | 68 | 76 | 10 | 62 | 6,6 | 11 | 6,5 | 6 | 1.560 | 2.740 | 545 |
| LMEF 40 UU | 40 | +0,013 0 | 62 | 0 -0,013 | 80 | 98 | 13 | 80 | 9 | 14 | 8,6 | 6 | 2.150 | 4.010 | 1.185 |
| LMEF 50 UU | 50 | +0,013 0 | 75 | 0 -0,013 | 100 | 112 | 13 | 94 | 9 | 14 | 8,6 | 6 | 3.820 | 7.930 | 1.730 |
Modelo LMEF-L

Dimensões em mm.
|
Modelo
|
dr
|
D
|
L
|
D1
|
H
|
W
|
d1
|
d2
|
h
|
n*
|
Capacidade de Carga (N) | Peso (g) |
|||
|
|
Tolerância
|
|
Tolerância
|
Dinâmica | Estática | ||||||||||
| LMEF 12 L UU | 12 | +0,009 0 | 22 | 0 -0,011 | 61 | 42 | 6 | 32 | 4,5 | 8 | 4,4 | 4 | 650 | 1.200 | 100 |
| LMEF 16L UU | 16 | +0,011 0 | 26 | 0 -0,011 | 68 | 46 | 6 | 36 | 4,5 | 8 | 4,4 | 5 | 1.230 | 2.350 | 187 |
| LMEF 20L UU | 20 | +0,011 0 | 32 | 0 -0,013 | 80 | 54 | 8 | 43 | 5,5 | 9,5 | 5,4 | 5 | 1.400 | 2.750 | 260 |
| LMEF 25L UU | 25 | +0,013 0 | 40 | 0 -0,013 | 112 | 62 | 8 | 51 | 5,5 | 9,5 | 5,4 | 6 | 1.560 | 3.140 | 515 |
| LMEF 30L UU | 30 | +0,013 0 | 47 | 0 -0,013 | 123 | 76 | 10 | 62 | 6,5 | 11 | 6,5 | 6 | 2.490 | 5.490 | 655 |
| LMEF 40L UU | 40 | +0,016 0 | 62 | 0 -0,015 | 151 | 98 | 13 | 80 | 9 | 14 | 8,6 | 6 | 3.430 | 8.040 | 1.560 |
| LMEF 50L UU | 50 | +0,016 0 | 75 | 0 -0,015 | 192 | 112 | 13 | 94 | 9 | 14 | 8,6 | 6 | 6.080 | 15.900 | 1.560 |
| LMEF 60L UU | 60 | +0,016 0 | 90 | 0 -0,020 | 211 | 134 | 18 | 112 | 11 | 17,5 | 10,8 | 6 | 7.650 | 20.000 | 4.500 |
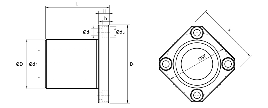
Modelo LMEK

Dimensões em mm.
|
Modelo
|
dr
|
D
|
L
|
D1
|
H
|
W
|
K
|
D1
|
D2
|
h
|
n*
|
Capacidade de Carga (N) | Peso (g) | |||
|
|
Tolerância
|
|
Tolerância
|
Dinâmica | Estática | |||||||||||
| LMEK 8 UU | 8 | +0,008 0 | 16 | 0 -0,008 | 25 | 32 | 5 | 24 | 25 | 3,4 | 6,5 | 3,3 | 4 | 260 | 400 | 44 |
| LMEK 12 UU | 12 | +0,008 0 | 22 | 0 -0,009 | 32 | 42 | 6 | 32 | 32 | 4,5 | 8 | 4,4 | 4 | 410 | 590 | 86 |
| LMEK 16 UU | 16 | +0,009 0 | 26 | 0 -0,009 | 36 | 46 | 6 | 36 | 35 | 4,5 | 8 | 4,4 | 5 | 770 | 1.170 | 120 |
| LMEK 20 UU | 20 | +0,009 0 | 32 | 0 -0,011 | 45 | 54 | 8 | 43 | 42 | 5,5 | 9,5 | 5,4 | 5 | 860 | 1.370 | 184 |
| LMEK 25 UU | 25 | +0,011 0 | 40 | 0 -0,011 | 58 | 62 | 8 | 51 | 50 | 5,5 | 9,5 | 5,4 | 6 | 980 | 1.560 | 335 |
| LMEK 30 UU | 30 | +0,011 0 | 47 | 0 -0,011 | 68 | 76 | 10 | 62 | 60 | 6,6 | 11 | 6,5 | 6 | 1.560 | 2.740 | 545 |
| LMEK 40 UU | 40 | +0,013 0 | 62 | 0 -0,013 | 80 | 98 | 13 | 80 | 75 | 9 | 14 | 8,6 | 6 | 2.150 | 4.010 | 1.185 |
Modelo LMEK-L

Dimensões em mm.
|
Modelo
|
dr
|
D
|
L
|
D1
|
H | W | K | D1 | D2 | h | n* | Capacidade de Carga (N) | Peso (g) |
|||
|
|
Tolerância
|
|
Tolerância
|
Dinâmica | Estática | |||||||||||
| LMEKL 8 UU | 8 | +0,009 0 | 16 | 0 -0,009 | 45 | 32 | 5 | 24 | 25 | 3,4 | 6,5 | 3,3 | 4 | 430 | 780 | 53 |
| LMEKL 12 UU | 12 | +0,009 0 | 22 | 0 -0,009 | 57 | 42 | 6 | 32 | 32 | 4,5 | 8 | 4,4 | 4 | 650 | 1200 | 100 |
| LMEKL 16 UU | 16 | +0,011 0 | 26 | 0 -0,011 | 70 | 46 | 6 | 36 | 35 | 4,5 | 8 | 4,4 | 5 | 1230 | 2350 | 187 |
| LMEKL 20 UU | 20 | +0,011 0 | 32 | 0 -0,011 | 80 | 54 | 8 | 43 | 42 | 5,5 | 9,5 | 5,4 | 5 | 1400 | 12750 | 260 |
| LMEKL 25 UU | 25 | +0,013 0 | 40 | 0 -0,013 | 112 | 62 | 8 | 51 | 50 | 5,5 | 9,5 | 5,4 | 6 | 1560 | 3140 | 515 |
| LMEKL 30 UU | 30 | +0,013 0 | 47 | 0 -0,013 | 123 | 76 | 10 | 62 | 60 | 6,6 | 11 | 6,5 | 6 | 2490 | 5490 | 655 |
| LMEKL 40 UU | 40 | +0,016 0 | 62 | 0 -0,015 | 154 | 98 | 13 | 80 | 75 | 9 | 14 | 8,6 | 6 | 3430 | 8040 | 1.560 |
Modelo SCE

Dimensões em mm.
|
Modelo
|
L
|
h
|
C
|
W
|
H
|
C1
|
A
|
J
|
E
|
S1 x l
|
S2
|
K
|
Capacidade de Carga (N) | Peso (g) |
|
| Dinâmica | Estática | ||||||||||||||
|
39
|
15
|
22
|
44
|
30
|
24,5
|
8
|
33
|
6,5
|
M5x12
|
Ø4,3
|
26
|
510 | 784 | 120 | |
| SCE16-B | 44 | 19 | 25 | 50 | 38,5 | 32,5 | 9 | 36 | 7 | M5x12 | Ø4,3 | 34 | 770 | 1.170 | 200 |
| SCE20-B | 53 | 21 | 27 | 54 | 41 | 35 | 11 | 40 | 7 | M6x12 | Ø5,2 | 40 | 860 | 1.370 | 270 |
| SCE25-B | 67 | 26 | 38 | 76 | 51,5 | 41 | 12 | 54 | 11 | M8x18 | Ø6,8 | 50 | 980 | 1.560 | 600 |
| SCE30-B | 76 | 30 | 39 | 78 | 59,5 | 49 | 15 | 58 | 10 | M8x18 | Ø6,8 | 58 | 1.560 | 2.740 | 776 |
| SCE40-B | 90 | 40 | 51 | 102 | 78 | 62 | 20 | 80 | 11 | M10x25 | Ø6,8 | 60 | 2.150 | 4.010 | 1.590 |
Modelo SBR / SBR-L

Dimensões em mm.
|
Modelo
|
C
|
W
|
G
|
⦵
|
A
|
M
|
S1 x l
|
h1
|
E
|
J
|
Capacidade de Carga (N) | Peso (g) |
|
| Dinâmica | Estática | ||||||||||||
|
20
|
40
|
27,5
|
80º | 8 | 39 | M5x10 | 8,5 | 17 | 28 | 520 | 790 | 100 | |
| SBR16UU | 22,5 | 45 | 33 | 80º | 9 | 45 | M5x12 |
11 | 20 | 32 | 770 | 1.170 | 150 |
| SBR16LUU | 85 | 1.548 | 2.360 | 300 | |||||||||
| SBR20UU | 30 | 48 | 39 | 60º | 11 | 50 | M6x12 | 11 | 23 | 35 | 860 | 1.370 | 200 |
| SBR20LUU | 35 | 96 | 1.764 | 2.740 | 400 | ||||||||
| SBR25UU | 45 |
60 | 47 | 50º | 14 | 65 | M6x12 | 12 | 27 | 40 | 980 | 1.560 | 450 |
| SBR25LUU | 130 | 1.960 | 3.140 | 900 | |||||||||
| SBR30UU | 35 | 70 | 56 | 50º | 15 | 70 | M8x18 | 15 | 33 | 50 | 1.560 | 2.740 | 630 |
| SBR40UU | 45 | 90 | 72 | 50º | 9 | 90 | M10x20 | 20 | 42 | 65 | 2.150 | 4.010 | 1.330 |

Dimensões em mm.
| Modelo | Ø D | h | A | W | H | T | E | F | C | B | S | J | Peso (g) |
| SK 10 | Ø10 | 20 | 21 | 42 | 32,8 | 6 | 18 | 5 | 32 | 14 | 5,5 | M4 | 24 |
| SK 12 | Ø 12 | 23 | 21 | 42 | 38 | 6 | 20 | 5 | 32 | 14 | 5,5 | M4 | 30 |
| SK 16 | Ø 16 | 27 | 24 | 48 | 44 | 8 | 25 | 5 | 38 | 16 | 5,5 | M4 | 40 |
| SK 20 | Ø 20 | 31 | 30 | 60 | 51 | 10 | 30 | 7,5 | 45 | 20 | 6,6 | M5 | 70 |
| SK 25 | Ø 25 | 35 | 35 | 70 | 60 | 12 | 38 | 7 | 56 | 24 | 6,6 | M6 | 130 |
| SK 30 | Ø 30 | 42 | 42 | 84 | 70 | 12 | 44 | 10 | 64 | 28 | 9 | M6 | 180 |
| SK 40 | Ø 40 | 60 | 57 | 114 | 96 | 15 | 60 | 12 | 90 | 36 | 11 | M8 | 420 |
Preencha o formulário e nossa equipe entrará em contato para lhe atender.
A OBR oferece soluções eficientes em movimentação linear, amortecimento, isolamento térmico e automação.
Com uma equipe preparada e segmentada, oferecemos um atendimento diferenciado com atenção especial a todos nossos clientes.